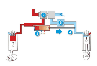
Exhaust gas recirculation (EGR)
EGR cooler,
Variable geometry turbocharger,
Charge air cooler,
Electronically controlled valve
EGR has been adopted by a number of engine manufacturers as the most effective technology to meet Tier III emission requirements with least impact on fuel economy.
How it works:
A portion (max 10%) of exhaust gas is extracted from the exhaust manifold and cooled down in the EGR cooler (1). Depending on the particular engine operating conditions the EGR control valve (4) meters a defined volume of cooled exhaust gas into the intake manifold to mix with the incoming fresh air.
The outcome of this is a reduction of the natural oxygen content in the combustion air leading to a cooler combustion temperature, which consequently reduces Nitrous Oxide (NOx) emissions.
To maintain fuel efficiency as well, the complete combustion of the fuel injected is highly essential. For this purpose the charge air pressure is increased by the variable geometry turbocharger to provide a sufficient mass of combustion air required for a complete, fuel efficient burn.
Advantages:
- Reduced emmission of harmful gases
- Fuel consumption maintained
